MLS双法兰梅花联轴器
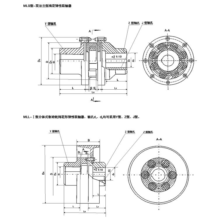
MLS双法兰梅花联轴器主要由两个带凸齿密切啮合并承受径向挤压以传递扭矩,当两轴线有相对偏移时,弹性元件发生相应的弹性变形,起到自动补偿作用。
订购热线:13613273433
立即咨询产品详情
MLS双法兰梅花联轴器主要由两个带凸齿密切啮合并承受径向挤压以传递扭矩,当两轴线有相对偏移时,弹性元件发生相应的弹性变形,起到自动补偿作用。 梅花形弹性联轴器主要适用于起动频繁、正反转、中高速、中等扭矩和要求高可靠性的工作场合,例如:冶金、矿山、石油、化工、起重、运输、轻工、纺织、 水泵、风机等。工作环境温度 -35℃~+80℃,传递公称扭矩25~12500Nm,许用转速1500~15300r/min。
MLS双法兰梅花联轴器特点:
(1)工作稳定可靠,具有良好的减振、缓冲和电 缘性能。 (2)结构简单,径向尺寸小,重量轻,转动惯量小,适用于中高速场合。 (3)具有较大的轴向、径向和角向补偿能力。 (4)高强度聚氨酯弹性元件 耐油,承载能力大,使用寿命长。 (5)联轴器无需润滑,维护工作量少,可连续长期运行。
(1)工作稳定可靠,具有良好的减振、缓冲和电 缘性能。 (2)结构简单,径向尺寸小,重量轻,转动惯量小,适用于中高速场合。 (3)具有较大的轴向、径向和角向补偿能力。 (4)高强度聚氨酯弹性元件 耐油,承载能力大,使用寿命长。 (5)联轴器无需润滑,维护工作量少,可连续长期运行。





